Van YUKEN DSHG có chức năng xác định hướng lưu lượng dòng chảy trong một quá trình làm việc xi lanh thủy lực và điều khiển hướng quay motor thủy lực
Van thường được lắp đặt bằng các loại đế theo kích thước của van gọi là đế van điều khiển.Van chịu được áp suất cao, lưu lượng lớn, độ ồn thấp, tuổi thọ cao, hơn nữa đảm bảo dầu không rò rỉ ra bên ngoài. Cuộn coi điện thiết kế để hoạt động trong môi trường nước và bụi, đảm bảo an toàn
THÔNG SỐ KỸ THUẬT
- Lưu lượng làm việc lớn nhất (Max. Flow): 1100 L/min
- Áp suất làm việc lớn nhất (Max. Operating Pressure): 31.5 MPa
- Khối lượng(Mass): 3.2÷52.9 Kg
MÃ ĐẶT HÀNG
DSHG-03-3C2/3C12/3C40-A240/D24/A100, DSHG-04-3C2-A240/D24, DSHG-04-3C4-A240/D24
DSHG-04-3C60-A240/D24, DSHG-04-3C12-T-A100-51, DSHG-04-3C40-T-A100-51, DSHG-04-3C2-T-A100-51
DSHG-06-3C2-220/D24, DSHG-06-3C3-220/D24, DSHG-06-3C4-220/D24, DSHG-06-3C60-220/D24
DSHG-06-3C12-220/D24, DSHG-06-3C12-T-A100-51, DSHG-06-3C12-T-A100-51, DSHG-10-3C2-220/110/D24
DSHG-10-3C4-220/110/D24, DSHG-10-3C60-220/110/D24

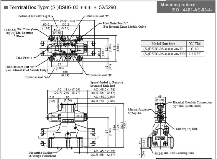
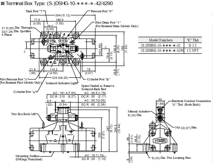
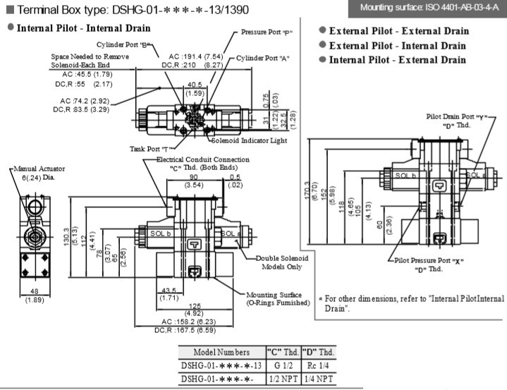
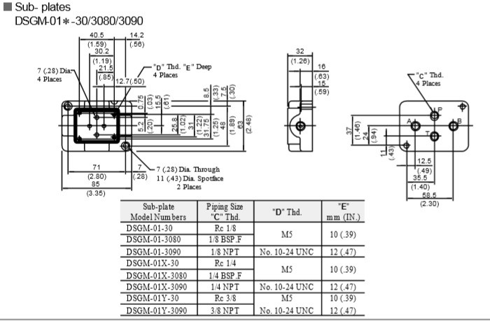
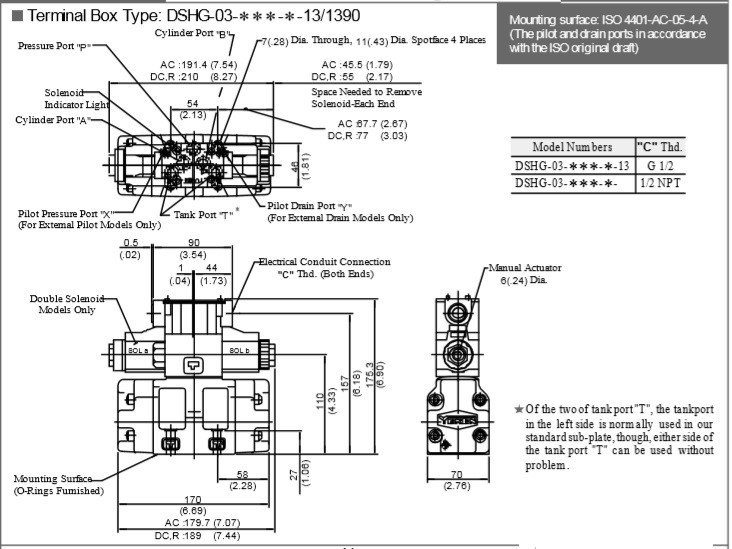
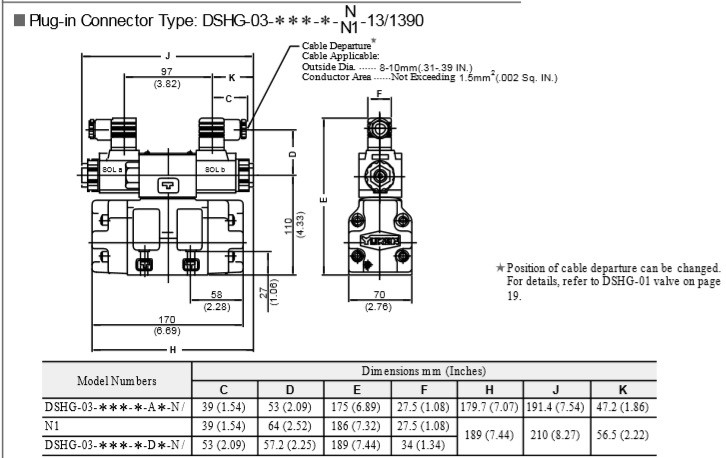
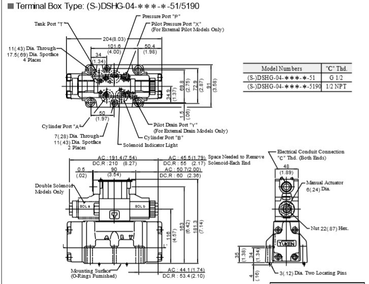
KÍCH THƯỚC LẮP ĐẶT






















